赤峰市人民政府
丨
欢迎访问赤峰市宁城县人民政府网站!
登录/注册
用户中心
蒙文版
无障碍浏览
网站首页
走进宁城
政务公开
办事服务
互动交流
搜本站
搜本站
搜平台
当前位置:
首页
>>
政务公开
>>
政务动态
>>
通知公告
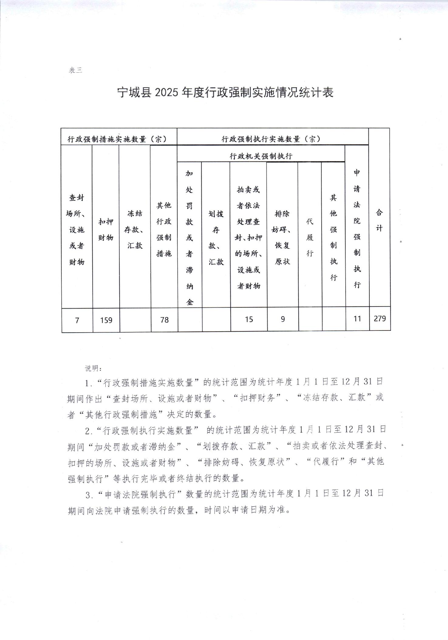
宁城县2025年度行政执法统计年报
发布时间:2026-01-21 10:41:09
来源:
司法局
分享:
X